岡本無線電機の通販サイト | E-JUNCTION(イージャンクション)

  • お見積り依頼
  • お問い合わせ

カテゴリーカテゴリーから探す

5,000円(税込5,500円)以上のご購入で送料無料!5,000円(税込5,500円)以上のご購入で送料無料!

マックエイト(MAC8) 表面実装用チェック端子(1.2×1.0タイプ)リール品 HK-4-G-T 「在庫掲載」

マックエイト(MAC8) 表面実装用チェック端子(1.2×1.0タイプ)リール品 HK-4-G-T 「在庫掲載」

E-Junction価格 : 9.60円(税込10.56 円)

  • 在庫掲載
  • RoHS10対応

標準納期:6ヶ月以上

現在庫数:0(通常在庫品:納期はお問い合わせください)

最低注文数:3,000    注文単位数:3,000 (単位:個)

メーカー:マックエイト(MAC8)

メーカー品番 :HK-4-G-T

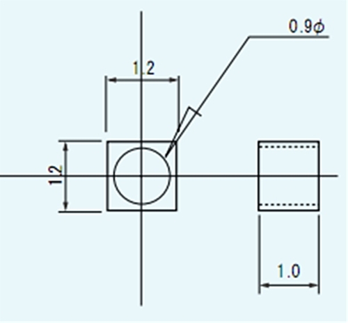
・チップマウンターにかけられるチェック端子です。
・サイズは1.2×1.0と超小型に出来ている為、小型機器に最適です。
・中の穴にオシロスコープのプローブを引っかけて使用して下さい。
・通常のクリーム半田でリフローされる場合は、ランド形状はベタ
1.3×1.1以上の大きさにした方が強度は増します。
・材質……黄銅
・処理……HK-4-G……ニッケル下地金メッキ
HK-4-S……ニッケル下地スズメッキ
■リール品です

数量

  • 単価 ¥

    9.60円(税込10.56 円)

5,000円(税込5,500円)以上の購入で送料無料です。
5,000円(税込5,500円)未満の場合、一律1,000円(税込1,100円)の送料をご負担頂きます。

(0 個) 小計: ¥0(税込:0)