JavaScript を有効にしてご利用下さい.
岡本無線電機の通販サイト | E-JUNCTION(イージャンクション)
カテゴリーから探す
メーカーから探す
初めてご利用になる方へ
お支払いについて
よくあるお問い合わせ
産業用ロボット向け ソリューション
同軸ソリューション
通信技術ソリューション
電源デバイスソリューション
システムソリューション
ものづくりソリューション
生産設備ソリューション
かんたん30秒!!【無料会員登録】お問い合わせはコチラのページから
メーカー標準価格 :個別見積
☆ お気に入りに追加
標準納期:4ヶ月
最低注文数:500 注文単位数:500 (単位:個)
メーカー:SEMITEC(セミテック)
メーカー品番 :E-562
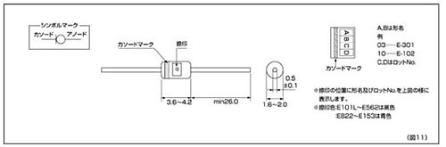
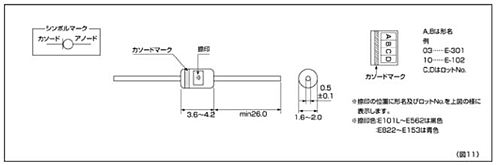
<CRD Eシリーズ(アキシャルリードタイプ)> 定電流ダイオードCRD(Current Regulative Diode)は、小型で、安定した定電流特性を 供給する素子です。 定電流ダイオードCRD Eシリーズは、DO-35 スタイルのDHD(Double Heatsink Diode)構造です。 ●気密封止で高信頼性 ●部品材料が安価で量産性に優れている ●DO35(300mW)パッケージを使用した小型素子 ピンチオフ電流(代表値):5.60mA 最高使用電圧:100V ※写真はイメージです。
単価 ¥
5,000円(税込5,500円)以上の購入で送料無料です。 5,000円(税込5,500円)未満の場合、一律1,000円(税込1,100円)の送料をご負担頂きます。
(0 個) 小計: ¥0(税込:0)
・LED輝度安定用の定電流供給 ・LED蛍光灯、LED街路灯、LED電球、LEDダウンライト ・ツエナーダイオードに定電流を供給する定電圧回路 ・近接センサ等、各種センサへの定電流供給 ・バッテリーの充放電回路 ・電解コンデンサの通電エージング装置 ・各種半導体の定電流での検査装置 ・通信回線のイーターフェース ・漏電遮断機 ・圧電アクチュエータへの電流供給 ・安定化電源回路
戻る